AD58光电绝对值电机反馈编码器
用于无刷伺服电机
全数字化和高速
工作温度+120℃
10 000rpm 连续运行
齿轮光学多圈
SSI或BiSS接口
可选正弦波1Vpp:小于1%的谐波畸变
带宽500kHz
AD58绝对值型编码器应用真正齿轮多圈和光学传感技术。机械设计包括两只滚珠轴承和一个弹性的力矩支撑。AD58最适合于BLDC伺服电机,尤其是在诸如CNC精密机器和专业质量印刷等要求较高的领域。AD58耗电量低,从而降低了使用者的费用。
全数字控制回路
新的全数字 OptoAsic 技术使其向真正的数字驱动系统转变。传统的绝对值型编码器仍有模拟正弦波信号,用来反馈速度和位置数据。然而,AD58提供BiSS接口上的22位(单圈)和12位(多圈)全数字位置数据,可变的时钟频率可达10MHz。这相应于单圈分辨率高于4百万测量步。
AD58光电绝对值电机反馈编码器产品规格
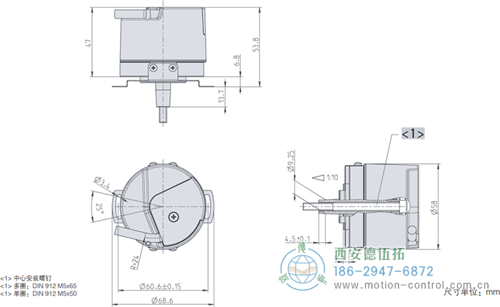
外径:58mm
轴径或孔径:10mm(锥形空心轴),10mm(锥形轴)
脉冲数或分辨率:单圈22位,多圈12位
防护等级:IP40
最高转速:12,000 RPM
AD58光电绝对值电机反馈编码器机械特性
外壳直径:58mm
轴径:10mm(锥形空心轴),10mm(锥形实心轴)
最大转速:10000(连续);12000(短时)
AD58光电绝对值电机反馈编码器电气特性
电源电压:DC 5V -10%/+10% 或DC 10~30V
最大空载电流:100mA(单圈),100mA(多圈)
AD58光电绝对值电机反馈编码器环境特性
轴端防护等级:IP40
外壳防护等级:IP40
工作温度:-15°C~+120°C
储存温度:-15°C~+85°C