PMG10P绝对值重载编码器
摘要:PMG10P绝对值重载编码器采用坚固的机械设计、可靠的电子元件、简便的设备安装:堡盟绝对值重载编码器即便在恶劣的工况下也能确保可靠地24小时全天候运行。这对于防止发生故障、避免高昂的停机成本、提高设备或系统的可用性具有重要意义。

PMG10P绝对值重载编码器
型号更少,成本更低
SSI绝对值、脉冲数以及超速值均可以自由设定
监控位置、转速和温度等当前的编码器信号
适用于终端用户、批发商和系统集成商
为各种不同应用而设计
减少产品种类,缩短停机时间,降低维护和库存成本
PMG10P绝对值重载编码器的优势
坚固的机械设计、可靠的电子元件、简便的设备安装:堡盟绝对值重载编码器即便在恶劣的工况下也能确保可靠地24小时全天候运行。这对于防止发生故障、避免高昂的停机成本、提高设备或系统的可用性具有重要意义。
1、减少产品种类,缩短停机时间,降低维护和库存成本
SSI绝对值、增量脉冲数以及超速值等参数均可以灵活设定
2、方便、快速地完成应用优化和故障诊断
监控单圈和多圈位置、转速、温度以及旋转加速度等当前的编码器信号
3、与您的应用快速集成
通过PC机、平板电脑和智能手机,可以直观地访问安装在该系统中的编码器;通过参数下载可以简化文档记录
4、安全可靠、无干扰
编码器监控和编码器与控制系统之间的通信保持同步,密码保护用于防止未经授权的访问
5、即便在苛刻的环境条件下,也具有很高的可用性和超长的使用寿命
久经考验的重载设计;两端式轴承;重载连接技术;坚固的感应技术
6、在任何环境下确保故障安全
坚固耐用的铝制或不锈钢外壳;出色的耐腐蚀性(防腐等级达C5-M);长期稳定的密封设计;工作温度范围:-40 ... +95 °C
7、有效防止轴承受损
两端式轴承设计:宽间隙式大尺寸轴承,高承载潜力,可承受高径向和轴向负载;采用陶瓷滚珠混合轴承,无感应轴电流
8、提高应用中的控制性能,优化过程控制
超坚固型高精度单圈位置检测技术,出色的电磁兼容性
9、无需维护
MicroGen自发电重载多圈计数器——无易损件,无需电池和齿轮
PMG10P绝对值重载编码器的应用领域
绝对值重载编码器可检测各种轴的绝对角位置,例如电机的转子轴或集装箱起重机的电缆卷筒。单圈编码器检测编码器轴旋转一圈内的绝对位置,而多圈编码器则记录编码器轴转动的圈数。通常情况下,在调试期间就可以设定绝对值编码器轴的参考位置,因此在系统重新上电后无需重新设置参考零点。
除了可以通过SSI或现场总线等串行数字接口输出绝对位置,绝对值重载编码器还能输出增量位置(例如HTL / TTL信号),这样便于带增量信号输入的转速控制器进行处理。同时,还可以提供带超速开关的个性化重载编码器,该组合可在转速过高或过低时上报一个开关量输出信号。
绝对值重载编码器具有很高的机械承载潜力和出色的坚固性与耐用性,即便在苛刻的环境条件下也能确保可靠运行。
其应用领域包括:钢铁厂和轧钢厂、港口设备和起重机技术、电动葫芦和升降平台、地下和露天采矿、物料搬运设备、大型传动装置和发电机、风力发电机。
SSI绝对位置分辨率、增量分辨率(1...131,072 ppr)以及超速值(2...12,000 rpm)均可以自由设定。该系列编码器可与各种机械接口、信号接口和现场总线接口相结合,使用非常灵活,几乎毫无限制。
PMG10P绝对值重载编码器采用的先进技术
1、久经考验的重载设计
凭借极其坚固的外壳设计,堡盟重载编码器具有超长的使用寿命和无与伦比的可靠性。
这些坚固的实心厚壁外壳能够完美地抵御外部环境影响,
而其抗扭结构设计则能够承受较高的冲击和振动载荷。
2、智能型重载编码器
HMG10P/PMG10P智能型编码器可在恶劣环境中提供用于转速控制的位置信息与转速信号。
新增功能:灵活方便的参数设置和监控功能。
通过可编程WLAN适配器实现对各个设备参数的单独设置和现场优化。
3、通过网页浏览器进行直观的参数设置
使用PC机、平板电脑和智能手机,通过紧凑型可编程WLAN适配器即可轻松调节编码器参数—— 即使编码器已经安装在机器或设备中。
凭借内置Web服务器,可通过标准网页浏览器进行访问,无需安装软件。
监测功能可清晰、直观地显示当前的编码器信号(例如在调试期间)。
参数下载非常方便,有效简化文档管理。 采用密码保护,避免任何不当操作。
4、离线模式
根据用例执行编码器的参数预设置、功能诊断和调试。
编码器无需安装在机器或设备中。
编码器由可编程WLAN适配器供电。
5、在线模式
根据用例执行监控、诊断、参数设置和调试。
编码器必须安装在机器或设备中。
编码由机器或设备供电。
在线模式不会干扰编码器与控制器之间的通信,即SSI、现场总线以及增量信号都可以得到充分利用。
PMG10P绝对值重载编码器产品系列:
1、PMG10P - CANopen®
2、PMG10P - DeviceNet
3、PMG10P - EtherCAT
4、PMG10P - EtherNet/IP
5、PMG10P - Profibus DP
6、PMG10P - PROFINET
7、PMG10P - SSI
PMG10P绝对值重载编码器技术参数
技术数据 – 电气参数
|
电源电压
|
10…30 VDC
4.75…30 VDC(SSI)
|
|
短路保护
|
是
|
|
电流消耗(无负载)
|
≤200 mA
≤100 mA(SSI)
|
|
初始化时间
|
≤ 500 ms (上电后)
|
|
接口
|
PMG10P - CANopen®:
CANopen®
PMG10P - DeviceNet:
DeviceNet
PMG10P - EtherCAT:
EtherCAT
PMG10P - EtherNet/IP:
EtherNet/IP
PMG10P - Profibus DP:
Profibus-DPV0/V2
PMG10P - PROFINET:
PROFINET
PMG10P - SSI:
SSI
|
|
功能
|
多圈
|
|
传输速率
|
PMG10P - CANopen®:
10 … 1000 kBaud
PMG10P - DeviceNet:
125 … 500 kBaud
PMG10P - EtherCAT:
100 MBaud
PMG10P - EtherNet/IP:
100 MBaud
PMG10P - Profibus DP:
9,6 … 12000 kBaud
PMG10P - PROFINET:
100 MBaud
|
|
设备地址
|
PMG10P - CANopen®:
旋转开关在总线分线盒内
PMG10P - DeviceNet:
旋转开关在总线分线盒内
PMG10P - EtherCAT:
自动地址分配
PMG10P - EtherNet/IP:
16进制旋转编码开关在接线盒内或带“BOOTP/DHCP工具”
PMG10P - Profibus DP:
旋转开关在总线分线盒内
PMG10P - PROFINET:
自动地址分配
|
|
每圈步数
|
8192 / 13位
1048576 / 20位 (SSI)
|
|
圈数
|
65536 / 16位
1048576 / 20位 (SSI)
|
|
额外的输出信号
|
方波 TTL/HTL,TTL/RS422
|
|
感应原理
|
磁式
|
|
编码
|
PMG10P - SSI:
格雷码 (出厂设置) 或二进制码
|
|
编码顺序
|
PMG10P - SSI:
顺时针 (出厂设置),可调
|
|
输入信号
|
PMG10P - SSI:
SSI时钟,预设值,旋转方向
|
|
抗干扰性
|
EN 61000-6-2
|
|
辐射干扰
|
EN 61000-6-3
|
|
编程接口
|
RS485 (≤600 m)
|
|
可设置参数
|
总线系统:参见总线功能额外的输出信号(脉冲数),闭合和打开动作值
单圈和多圈分辨率 (SSI),格雷码或二进制码 (SSI),额外的输出信号 (脉冲数),闭合和打开动作值
|
|
诊断功能
|
PMG10P - CANopen®:
位置或参数错误
PMG10P - DeviceNet:
位置或参数错误
PMG10P - EtherCAT:
位置或参数错误
PMG10P - EtherNet/IP:
位置或参数错误
PMG10P - Profibus DP:
位置或参数错误
PMG10P - PROFINET:
位置或参数错误
PMG10P - SSI:
功能控制
|
|
状态指示灯
|
PMG10P - CANopen®:
DUO-LED (集成在总线分线盒中),设备背部有4个LED
PMG10P - DeviceNet:
DUO-LED (集成在总线分线盒中),设备背部有4个LED
PMG10P - EtherCAT:
DUO-LED和链路/活动LED (集成在总线分线盒中),设备背部有4个LED
PMG10P - EtherNet/IP:
DUO-LED和链路/活动LED (集成在总线分线盒中),设备背部有4个LED
PMG10P - Profibus DP:
DUO-LED (集成在总线分线盒中),设备背部有4个LED
PMG10P - PROFINET:
DUO-LED和链路/活动LED (集成在总线分线盒中),设备背部有4个LED
PMG10P - SSI:
设备背部有4个LED
|
|
认证
|
CE
UL认证 / E217823
EAC
|
技术数据 – 机械参数
|
尺寸(法兰)
|
ø115 mm
|
|
轴类型
|
ø11 mm 实心轴
|
|
法兰
|
欧式法兰B10
外壳支脚 (B3)
|
|
防护等级(EN 60529)
|
IP 66 / IP 67
|
|
运行速度
|
≤6000 rpm
≤12000 rpm(SSI)
|
|
超速值范围
|
ns (关闭) = ±2…6000 rpm,出厂设置6000 rpm
|
|
典型运行转矩
|
10 Ncm
|
|
转子惯量
|
1 kgcm²
|
|
允许轴负载
|
≤450 N 轴向
≤650 N 径向
|
|
材质
|
外壳:铝合金
轴:不锈钢
|
|
防腐蚀保护
|
IEC 60068-2-52 盐雾试验
室温条件下防腐等级达到ISO 12944-2 CX (C5-M)
|
|
工作温度
|
-40…+85 °C
-40…+95 °C(SSI)
|
|
相对湿度
|
95% (不结露)
|
|
耐抗性
|
IEC 60068-2-6
抗振动30 g,10-2000 Hz
IEC 60068-2-27
抗冲击400 g,1 ms
|
|
近似重量
|
2,7 kg (视版本而定)
1,9 kg (视版本而定)(SSI)
|
|
连接
|
总线分线盒
端子盒,带增量输出
端子盒(SSI)
M23 法兰接头(SSI)
|
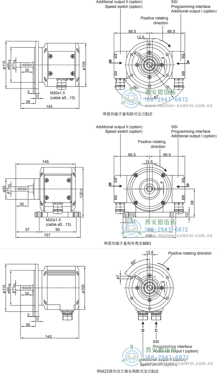
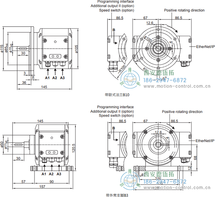
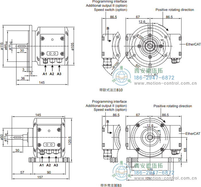
PMG10P绝对值重载编码器外形及安装尺寸
PMG10P - CANopen®
ø11 mm实心轴,带欧式法兰B10或外壳支脚 (B3) / CANopen® / 13位单圈 / 16位多圈
PMG10P - DeviceNet
ø11 mm实心轴,带欧式法兰B10或外壳支脚 (B3) / DeviceNet / 13位单圈 / 16位多圈
PMG10P - EtherCAT
ø11 mm实心轴,带欧式法兰B10或外壳支脚 (B3) / EtherCAT / 13位单圈 / 16位多圈
PMG10P - EtherNet/IP
ø11 mm实心轴,带欧式法兰B10或外壳支脚 (B3) / EtherNet/IP / 13位单圈 / 16位多圈
PMG10P - Profibus DP
ø11 mm实心轴,带欧式法兰B10或外壳支脚 (B3) / Profibus-DPV0或DPV2 / 13位单圈 / 16位多圈
PMG10P - PROFINET
ø11 mm实心轴,带欧式法兰B10或外壳支脚 (B3) / PROFINET / 13位单圈 / 16位多圈
PMG10P - SSI
ø11 mm实心轴,带欧式法兰B10或外壳支脚 (B3) / 20位单圈 / 20位多圈
PMG10P绝对值重载编码器订货选型参考
在订货时我们需要确认用户所购买的PMG10P绝对值重载编码器的相关参数,以免给您造成不必要的损失。以下是订货时需要确认的一些参数,以及参数说明,供您参考选型。
PMG10P - CANopen®
盲孔型或锥孔型 (1:10) / CANopen® / 13位单圈 / 16位多圈
PMG10P - DeviceNet
盲孔型或锥孔型 (1:10) / DeviceNet / 13位单圈 / 16位多圈
PMG10P - EtherCAT
盲孔型或锥孔型 (1:10) / EtherCAT / 13位单圈 / 16位多圈
PMG10P - EtherNet/IP
盲孔型或锥孔型 (1:10) / EtherNet/IP / 13位单圈 / 16位多圈
PMG10P - Profibus DP
盲孔型或锥孔型 (1:10) / Profibus-DPV0或DPV2 / 13位单圈 / 16位多圈
PMG10P - PROFINET
盲孔型或锥孔型 (1:10) / Profibus-DPV0或DPV2 / 13位单圈 / 16位多圈
PMG10P - SSI
盲孔型或锥孔型 (1:10) / 20位单圈 / 20位多圈